一、整体定位与核心卖点
这是一份 HydraForce 面向摊铺机(pavers)的解决方案宣传册,主题是为摊铺机提供智能液压与电控系统,核心卖点围绕:
- INNOVATIVE DESIGN / 创新设计
- REDUCE HYDRAULIC FOOTPRINT / 减小液压占用空间
- OPTIMAL PERFORMANCE / 优化性能
- SAVE ENERGY / 节能
- CUSTOMIZE TO APPLICATION / 按工况定制
- EASILY SERVICEABLE / 易维护
- UPTIME IS THE ONLY TIME / 开机时间就是赚钱时间
HydraForce 以插装阀+集成块+电控+物联网(GatE/GlobE)为组合,为各类大小摊铺机提供完整控制方案。
二、行业背景与需求
- 道路建设是一个持续不断的行业:旧路面不断被破坏、翻新、重铺,基础设施持续扩建。
- 施工单位需要:
- 可靠、强劲、精确的液压控制
- 设备要高出勤率、易维护
- HydraForce 提出“POWER to PAVE”概念,用紧凑可靠的插装阀和智能控制,支撑摊铺机的各项功能。
三、关键理念:高出勤率与易维护
- 插装阀相对叠加阀、CETOP 阀:
- 更紧凑、更可靠
- 发生故障时,更换时间以分钟计,而不是拆整块阀组的数小时
- 这直接支撑“UPTIME IS THE ONLY TIME”的理念:
- 故障时快速恢复 → 减少停机损失
- 让设备尽可能保持在“赚钱状态”
四、连接性:GatE 与 GlobE 物联网平台
GatE:
- 为设备提供加密、安全的远程数据网关
- 支持:
- 远程监控
- 远程诊断
- 远程软件更新
GlobE:
- 面向 OEM 和车队管理者的 IoT 云平台
- 特点:
- 针对移动机械优化
- 可与 HydraForce ECU 或第三方 CAN 网络配合
- 提供可扩展、可靠、成本可控的云服务
典型场景:
- 设备主动上报:滤芯需要更换、某条输送回路压力下降等
- 远程调整参数、更新程序
- 提前准备备件,提高服务效率
五、摊铺机关键液压系统方案
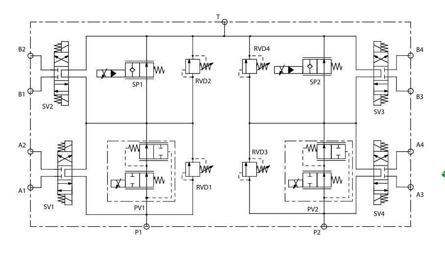
1. 沥青输送与螺旋布料系统(Auger/Conveyor Drive)
功能:
- 将卡车卸下的热沥青,以左右独立的流量输送到螺旋器,再均匀铺到熨平板前方。
- 要求:左右两侧独立调速,保证铺层厚度与密度一致,即使在弯道、横坡、拱形路面上。
回路结构:
- 左右两侧各有一条并联流路,每条中:
- 输送带马达(conveyor motor) 与 螺旋马达(auger motor) 串联
- 关键元件:
- PV1、PV2:压力补偿比例流量控制阀(pressure compensated proportional flow control)
- 通过旁通输送马达的方式调节输送流量
- SP1、SP2:比例流量控制阀(proportional flow control)
- 通过旁通螺旋马达的方式调节螺旋转速
- RVD1–RVD4:溢流阀(relief valves)
- 限制各马达的工作压力
- SV1–SV4:三位四通电磁换向阀(3-position, 4-way directional solenoid valves)
- 实现马达正反转
- PV1、PV2:压力补偿比例流量控制阀(pressure compensated proportional flow control)
回路端口标识:
- P1、P2:供油口
- A1–A4、B1–B4:马达工作口
- T:回油口
这套方案实现:左右两侧输送与螺旋独立可调、可反转、受压保护。

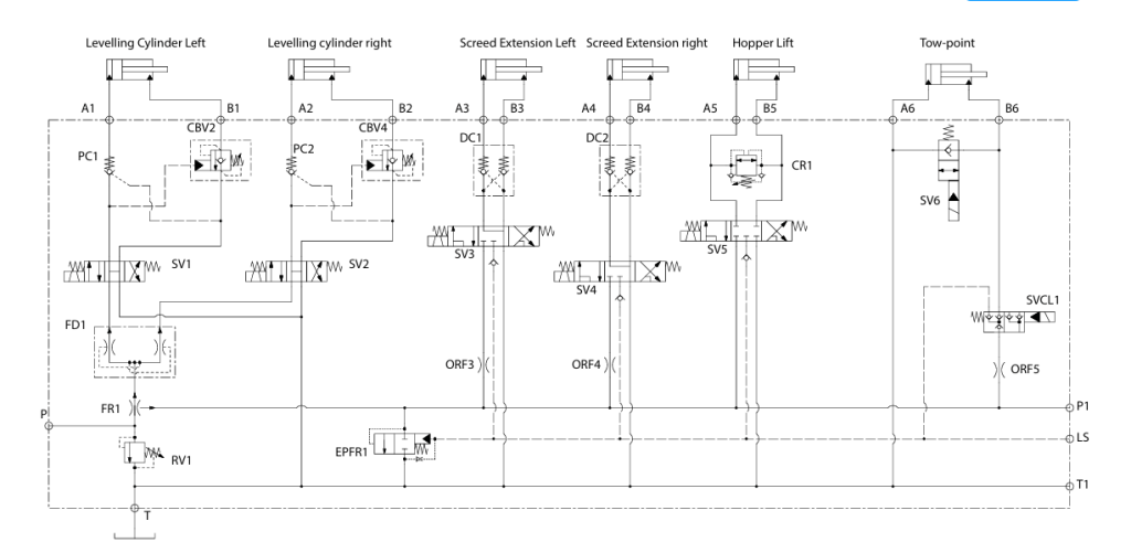
2. 辅助功能集成块(Auxiliary Function Controls)
控制对象:
- 料斗侧翼升降(hopper wings)
- 流量闸门位置(flow gates)
- 熨平板左右伸缩(screed extension left/right)
- 熨平板升降(screed raise/lower)
- 拖点/熨平板攻角(tow point / screed angle of attack)
- 熨平板振动(screed vibration)
回路特点与元件:
- 优先流量调节与分流:
- Priority flow regulator & flow divider valves
- 为找平油缸(levelling cylinders)提供优先流量
- 电磁三位五通方向阀(solenoid operated 3-position 5-way directional valves):
- 控制油缸伸缩
- 同时提供独立的负载敏感信号(isolated load sensing signal)
- EPFR:先导操作逻辑元件(pilot-operated logic element)
- 用于负载敏感卸荷(load-sensitive pump unloading)
- PO check & counterbalance valves:
- 提供负载保持与运动控制
- 溢流阀(relief valves):
- 保护元件免受过压与外部冲击载荷
图中元件代号示例:
- SVCL1、SV1–SV6:各路电磁阀
- RV1:溢流阀
- EPFR1:先导逻辑阀
- CBV2、CBV4:平衡阀
- DC1、DC2:单向阀
- ORF3–ORF5:节流孔
- FR1:流量调节阀
- PC1、PC2:压力补偿元件
- FD1:分流阀
- CR1:单向/泄压元件
- LS:负载敏感信号
- T、T1:回油口
- A1–A6、B1–B6:各执行元件工作口
这套辅助功能集成块,将摊铺机上几乎所有油缸与执行机构集中管理,兼顾优先级、负载保持、能效与安全。

3. 熨平板加热发电机驱动(Screed Heater Generator Drive)
需求:
- 熨平板采用电加热,为保证路面平整,需要稳定的加热功率。
- 发电机由液压马达驱动,要求在发动机转速、电负载、液压供油变化时,仍保持恒定频率输出。
控制方案:
- 液压部分:
- 由压力补偿流量控制阀 PV1 驱动发电机马达
- 电控部分:
- EGDR-0101A Electronic Generator Driver
- 控制 PV1 的开度
- EACD-1 Electronic AC Frequency Detector
- 检测发电机输出的 AC 频率
- EGDR-0101A Electronic Generator Driver
- 控制方式:
- 采用 PID 闭环控制
- 以频率反馈为基准,将发电机转速控制在设定值
结果:即使发动机转速、电负载、液压供油波动,发电机输出频率仍能稳定在目标值,保证熨平板加热效果。
六、设计理念延伸:灵活性、性能、连接性、可维护性
MORE FLEXIBILITY / 更多灵活性:
- 插装阀提供:
- 多种规格、压力等级、功能形式
- 独立控制 A/B 口(independent metering of A and B ports)
- 简化管路
- 可组合或分散控制
- 设计者可以按每个功能的流量需求选型,做到按需配置。
MORE PERFORMANCE / 更高性能:
- 集成负载敏感(integrated load sensing)
- 流量共享(flow sharing)
- 闭环控制(closed-loop control)
- HyPerformance™ 系列阀:额定工作压力 350 bar
MORE CONNECTIVITY / 更强连接性:
- GatE + GlobE:
- 24/7 连接
- 远程监控、参数调整、软件更新
- 提前诊断,提升服务效率
MORE SERVICEABILITY / 更易维护:
- 插装阀可在几分钟内更换
- 模块化分布式集成块(modular distributed manifolds)
- 可拆卸线圈(removable coils)
- 简化管路(simplified plumbing)