1. 产品定位与应用场景
FC2‑1N 是一款双路流量控制阀(Flow Control Valve, double),用于开中心液压系统(Open‑Center Systems)。 它的核心作用是:在未预留附加功能的工程机械上,为低流量附件(如剪切器、抓斗、倾斜铲斗、清扫刷等)提供稳定、可控的优先流量,同时保持主机原有动作正常运行。
1.1 典型应用
- 旋转马达类附件(shears、grippers)
- 倾斜铲斗(tilting buckets)
- 清扫刷(sweeper brushes)
- 其他低流量需求的双向执行器
1.2 安装位置建议
- 通常安装在靠近主泵的位置,以便从主泵流量中分流出稳定的优先流量。
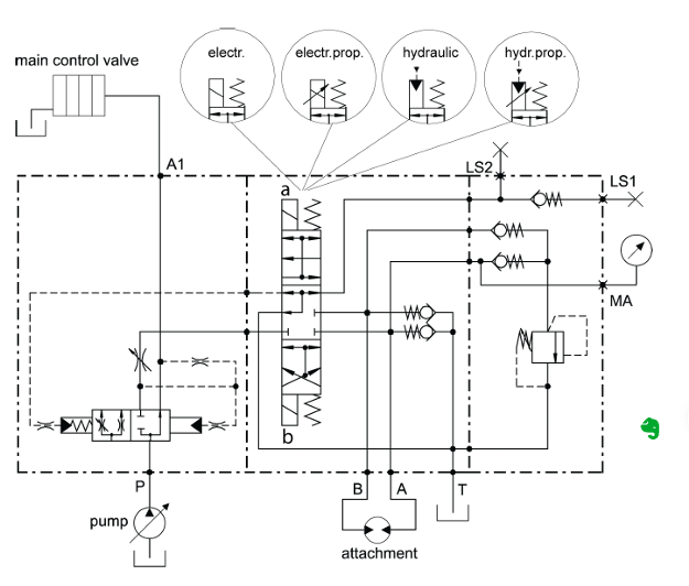
2. 工作原理与结构组成
FC2‑1N 由三大部分组成:
- 入口压力补偿器(3‑way flow control valve / input pressure compensator)
- 负责将输入流量分为:
- 优先流量(priority flow)→ 附件 A/B
- 剩余流量(residual flow)→ 主机 A1
- 负责将输入流量分为:
- 4/3 方向阀(4/3 directional valve)
- 控制附件的 A/B 方向
- 可选:电控开关型、电控比例型、液控开关型、液控比例型
- 压力阀组件(pressure valve unit)
- 包含附件压力保护
- 集成吸油阀(suction valves)
2.1 流量分配逻辑
- 所有版本均将输入流量分为优先流量与剩余流量。
- SAE 3/4″ 版本最大输入流量 300 L/min
- SAE 1″ 版本最大输入流量 400 L/min
2.2 控制方式
- 电控开关型(switching):10–60 L/min
- 电控比例型(proportional):0–40 L/min
- 液控开关型 / 液控比例型:通过先导压力控制
- 电比例版本建议使用 PWM 100 Hz 控流,以获得更高精度。
2.3 主要特性
- 适用于所有标准液压系统,尤其是开中心系统
- 附件口带压力保护
- 便于为低流量附件扩展系统功能
- 输入端带压力补偿器,确保稳定流量
- 可电控或液控,开关或比例
3. 技术参数(Technical Data)
3.1 基本参数
- 重量:约 14 kg
- 最大输入压力(P, A):400 bar
- 附件压力可调范围:50–320 bar(出厂设定 200 bar)
- 开关型出厂优先流量:35 L/min
- 流量精度:±8%
- 最大推荐回油背压(T):约 5 bar
- 最大输入流量:
- SAE 3/4″:300 L/min
- SAE 1″:400 L/min
- 最大输出流量(A/B):
- 开关型:60 L/min
- 比例型:40 L/min

