一、产品技术要点的完整总结与改写
1. 应用与功能定位
- 应用对象:操作员驾驶室的升降回路(工程机械、特种车辆等)。
- 舒适性要求:
- 平稳起动与制动——避免驾驶室抖动、点头;
- 升起位置无泄漏保持——长时间停留不允许缓慢下沉。
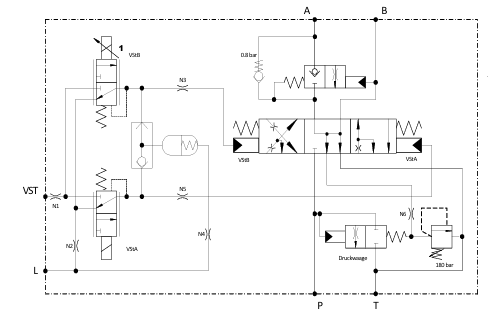
2. 阀型与控制方式
- 阀型结构:
- 4/3 方向控制阀(四通三位),专门为定量泵系统(fixed displacement pump)设计。
- 控制方式:
- 电液比例控制:主阀芯可通过电信号进行比例调节,实现对流量和升降速度的精细控制;
- 内部斜坡电路(ramp):在切换时对阀芯动作施加斜坡,避免突然开闭,显著提升操纵舒适性和稳定性。
3. 压力补偿与能效
- 入口压力补偿器(inlet pressure compensator):
- 集成于阀块内部,对进油口 P 进行压力补偿;
- 目标是将压力损失降到最低,在定量泵系统中仍能获得较好的节能效果和可控性。
4. 保持与安全功能
- A 口无泄漏锁紧:
- 通过先导操作单向阀(pilot-operated check valve)对 A 口进行锁紧;
- 实现“leak-free / leakage oil-free holding”,保证驾驶室在升起位置长期可靠保持,防止意外下沉。
5. 电液先导特性
- 电-液控制结构:
- 采用电信号驱动的液压先导,对主阀芯进行比例控制;
- 兼顾电子控制系统(ECU)与液压执行机构之间的匹配,适合整车 CAN 总线或其他控制系统集成。
6. 接口与口径规格(Port sizes)
- 设计型号:FC2-CC
- 接口标准:全部为 ISO 1179-1 螺纹接口:
- P、T 口:G1/2 – ISO 1179-1
- A、B 口:G3/8 – ISO 1179-1
- VSt、L 口:G1/4 – ISO 1179-1
7. 额定性能参数(Technische Daten)
- 最高工作压力:350 bar
- 最大流量:40 l/min
8. 配套资料
- 提供液压原理图(Hydraulic schematic);
- 提供数据表(Datenblatt FC2-CC)下载,用于系统设计、选型与验证。

