告别盲目试错:基于高级动态仿真与自主制造的液压系统集成之路
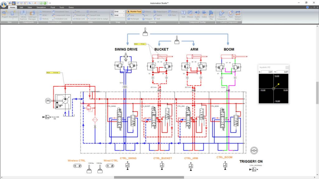
图中展示了一个复杂的多路液压控制系统原理图,包含了回转马达(SWING DRIVE)、铲斗(BUCKET)、斗杆(ARM)和动臂(BOOM)四个工作联。图中带有一个模拟的先导操作手柄(Joystick)界面,且管路呈现红色(高压)、蓝色(回油)和绿色(工作压力)等不同颜色,直观显示系统正处于动态仿真运行状态,清晰反映了系统内部复杂的流体分配逻辑。]
在行走机械(如挖掘机、高空作业平台)或复杂工业设备的液压系统开发中,多执行元件的协同动作往往是设计的核心难点。如图所示,当动臂、斗杆和回转机构需要同时动作时,如何合理分配流量?如何避免动作干涉?如何准确预估系统的压力损失与发热?
传统的做法往往依赖工程师的经验进行图纸设计,然后加工出物理样机进行反复的“试错”与调试。这种模式不仅耗资巨大,更严重拖延了新设备的上市周期。
作为深耕液压行业二十年的系统集成商,我们深知这一痛点。结合Automation Studio 软件,我们将为您揭示如何通过“数字化仿真+自主可控制造”的模式,为您提供高可靠性的液压集成解决方案。
- 告别图纸画饼:基于原厂参数的高精度动态仿真
图中展示的并非一张静态的CAD连线图,而是一个正在运行的“虚拟液压测试台”。我们全面引进了 Automation Studio™ 软件进行系统前期设计。
仿真的可靠性源于数据的真实。Automation Studio 得到了世界顶级流体元件制造商的官方认可。在进行系统设计时,我们调用的并不是理想化的通用符号,而是 SUN Hydraulics、HYDRAFORCE、ARGO HYTOS、HAWE等指定制造商已经配置好的专属元件模型。每一个插装阀、多路阀模型,其背后都蕴含着原厂提供的精确流量-压降曲线、响应时间等核心仿真参数。
这意味着,在虚拟环境中(如上图的手柄操作模拟),我们就能精确地观测到液压油在各个分支回路中的动态分配情况,提前发现系统可能存在的流量饱和、压力冲击或多余的节流损失,从而在设计源头优化系统架构。
- LIVE MANIFOLD:从精妙原理到可靠实物的完美转化
当原理图通过了严苛的动态仿真验证后,真正的挑战在于如何将这种包含几十上百条交叉油路的系统,浓缩成一个紧凑的液压阀组或多路阀。这正是LIVE MANIFOLD模块大显身手之处。
在阀块设计阶段,LIVE MANIFOLD 为我们提供了极具可靠性的验证机制:
绝对的逻辑一致性:LIVE MANIFOLD 与前期的原理图设计无缝对接,软件会自动校验三维阀块内部每一个实体孔道的连接逻辑,确保与经过仿真验证的原理图100%一致。它彻底排除了人工布孔时容易出现的“搭错线”或“漏连接”等低级且致命的错误。
优化的流道布局**:借助软件的辅助,我们能在有限的金属空间内,以最高效的方式排布 SUN 或 HYDRAFORCE 插装阀的孔位,优化油液的转弯和孔径匹配,最大程度降低集成块内部的沿程阻力,确保液压系统的高效运行。
- 强大的底层制造底座:让数字化设计迅速落地
再完美的软件仿真,最终也需要强大的硬件实力来承载。我们不仅仅是停留在电脑前的设计公司,更是拥有重资产实体的液压制造企业。
大量核心元件库存:仿真中使用的 SUN、HYDRAFORCE、ARGO HYTOS 、HAWE等进口原装插装阀、电磁阀及多路阀片,在我们自有的仓库中均备有庞大的现货库存。客户确认仿真方案后,我们无需面临漫长的进口元器件采购期,直接调拨现货。
自有土地与精密加工设备:我们拥有自建的工业厂房和全套的数控加工中心。由 LIVE MANIFOLD 输出的高精度加工程序,直接对接我们的生产线。从定制集成油路块的精密切削,到液压动力站(HPU)的焊接与总装测试,全流程均在我们的严密管控之下。
我们深知液压系统作为设备“肌肉”的重要性。我们不夸大宣传,也不做无根据的承诺。我们将二十年的行业经验、庞大的现货库存、自主的加工能力,全部融入到 Automation Studio 及 LIVE MANIFOLD 的数字化设计流程中,为您提供从概念仿真到实物交付的一站式服务,确保您放心选用我们的每一个液压阀组与动力站产品。
如果您面临复杂的液压系统集成需求,希望缩短研发周期并降低试错风险,欢迎与我们进行技术探讨。



Bidding Farewell to Blind Trial and Error: A Hydraulic System Integration Approach Based on Advanced Dynamic Simulation and Independent Manufacturing
[The figure displays a complex multi-way hydraulic control system schematic, comprising four working sections: SWING DRIVE, BUCKET, ARM, and BOOM. The diagram features a simulated pilot control Joystick interface, with pipelines rendered in different colors such as red (high pressure), blue (return line), and green (working pressure). This visually indicates that the system is currently in a state of dynamic simulation, clearly reflecting the complex fluid distribution logic within the system.]
In the development of hydraulic systems for mobile machinery (such as excavators and aerial work platforms) or complex industrial equipment, the coordinated movement of multiple actuators is often the core design challenge. As shown in the figure, when the boom, arm, and swing mechanisms need to operate simultaneously, how do we allocate flow reasonably? How do we prevent motion interference? How do we accurately estimate the system’s pressure loss and heat generation?
Traditional approaches often rely heavily on the engineer’s experience for schematic design, followed by the machining of physical prototypes for repeated “trial and error” debugging. This model is not only highly costly but also severely delays the time-to-market for new equipment.
As a system integrator deeply rooted in the hydraulic industry for 20 years, we fully understand this pain point. By integrating Automation Studio™ software, we will demonstrate how a model of “digital simulation + independently controlled manufacturing” can provide you with highly reliable hydraulic integration solutions.
Beyond Theoretical Drawings: High-Precision Dynamic Simulation Based on Original Manufacturer Parameters
What the figure shows is not a static CAD wiring diagram, but a running “virtual hydraulic test bench.” We have comprehensively adopted the Automation Studio™ software for early-stage system design.
The reliability of the simulation stems from the authenticity of the data. Automation Studio™ is officially recognized by the world’s top fluid component manufacturers. During system design, we do not utilize idealized generic symbols; instead, we implement pre-configured, proprietary component models from designated manufacturers such as SUN Hydraulics, HYDRAFORCE, ARGO HYTOS, and HAWE. Behind every cartridge valve or multi-way valve model lie core simulation parameters provided by the original manufacturer, including precise flow-pressure drop curves and response times.
This means that in a virtual environment (like the joystick operation simulation shown above), we can precisely observe the dynamic distribution of hydraulic fluid across various branch circuits. This allows us to identify potential flow saturation, pressure shocks, or excessive throttling losses in advance, thereby optimizing the system architecture right from the design source.
LIVE MANIFOLD: The Seamless Transition from Exquisite Schematics to Reliable Physical Products
Once the schematic has passed rigorous dynamic simulation validation, the real challenge lies in condensing a system containing dozens or even hundreds of intersecting fluid passages into a compact hydraulic manifold block or multi-way valve. This is exactly where the LIVE MANIFOLD module excels.
During the manifold design phase, LIVE MANIFOLD provides us with a highly reliable validation mechanism:
- Absolute Logic Consistency: LIVE MANIFOLD interfaces seamlessly with the earlier schematic design. The software automatically verifies the connection logic of every solid fluid passage within the 3D manifold, ensuring 100% conformity with the simulation-validated schematic. It completely eliminates elementary yet fatal errors, such as “crossed lines” or “missed connections,” that easily occur during manual hole routing.
- Optimized Flow Path Layout: With the software’s assistance, we can arrange the cavities for SUN or HYDRAFORCE cartridge valves in the most efficient manner within a limited metal space. By optimizing fluid turning angles and matching bore diameters, we minimize the frictional resistance within the integrated block to the greatest extent possible, ensuring the highly efficient operation of the hydraulic system.
A Robust Underlying Manufacturing Foundation: Enabling Rapid Execution of Digital Designs
No matter how perfect the software simulation is, it ultimately requires robust hardware capabilities for execution. We are not merely a design firm sitting in front of computer screens; we are a heavy-asset hydraulic manufacturing enterprise with a physical industrial footprint.
- Massive Inventory of Core Components: For the imported original cartridge valves, solenoid valves, and multi-way valve sections from brands like SUN, HYDRAFORCE, ARGO HYTOS, and HAWE used in the simulations, we maintain a massive ready-to-ship inventory in our own warehouses. Once a customer approves the simulation layout, we can directly allocate stock without facing lengthy procurement lead times for imported components.
- Owned Land and Precision Machining Equipment: We operate out of our self-built industrial facilities, fully equipped with comprehensive CNC machining centers. The high-precision machining programs exported by LIVE MANIFOLD interface directly with our production lines. From the precision cutting of customized integrated manifold blocks to the welding, final assembly, and testing of Hydraulic Power Units (HPUs), the entire process remains under our strict internal quality control.
We profoundly understand the critical role of the hydraulic system as the “muscle” of any equipment. We refrain from exaggerated marketing or unfounded promises. Instead, we integrate our 20 years of industry experience, vast inventory, and independent machining capabilities entirely into the digital design workflows of Automation Studio™ and LIVE MANIFOLD. This allows us to provide a one-stop service from conceptual simulation to physical delivery, ensuring you can confidently choose every hydraulic manifold and power unit we produce.
If you are facing complex hydraulic system integration requirements and wish to shorten your R&D cycle while mitigating trial-and-error risks, we welcome you to reach out for a technical discussion.
Contact Us:
- Email: 613602109@qq.com
- Website: vohyd.cn